资源共享
课程章节-项目七:封闭切削循环G73
学习目标:
1.掌握封闭切削循环的适用场合;
2.掌握封闭切削循环G73的指令格式和参数含义;
3.通过练习,熟练掌握G73编程应用。
知识点击:
学习封闭切削循环指令G73时不仅要对指令格式和参数含义熟练掌握,还要对指令的使用场合要能够进行合理选择。循环起点的设定及X轴向总退刀量和重复加工次数的确定为重点知识。
一、封闭切削循环指令G73
封闭切削循环也称复合形状粗车循环、成型加工复式循环。车削时按照轮廓加工的最终路径形状,进行反复循环加工,逐渐接近最终形状的循环切削方式。G73指令自动按精车路线依零件外圆、锥体、凹凸圆弧进行多次循环走刀,系统根据精车余量、退刀量、切削次数等数据自动计算粗车偏移量、粗车的单次进刀量和粗车的轨迹。每次切削的轨迹都是精车轨迹的偏移,刀具向前移动一次,切削轨迹逐步靠近精车轨迹,最后一次切削轨迹为按精车余量偏移的精车轨迹。配合G70精加工循环指令,可一次完成零件加工。封闭切削循环适用于加工铸造、锻造或粗车后的已成型零件毛坯,对于零件轮廓的单调性则没有要求。毛坯尺寸接近工件的成品形状尺寸,只是外径、长度较成品留有一定的余量,利用该指令可有效提高切削效率。
二、指令格式:
G73 U(△i) W(△k) R(d)
G73 P(ns) Q(nf) U(△u) W(△w) F(f) S(s) T(t)
N(ns)………
…………沿A A’ B的程序段号N(nf)………
式中:
△i--X轴向总退刀量(半径值);
△k--Z轴向总退刀量;
d--重复加工次数(粗车切削次数);
ns--精加工轮廓程序段中开始程序段的段号;
nf--精加工轮廓程序段中结束程序段的段号;
△u--X轴向精加工余量及方向;
△w--Z轴向精加工余量及方向;
f、s、t--F、S、T代码。
三、说明:
1.X方向和Z方向的精车余量△u和△w的正负号确定方法与G71指令相同。
2.循环起点的定位不仅可用G00指令,还可以使用G01、G02、G03等,用G00指令可以实现快速定位。
3.ns-nf程序段可不必紧跟在G73程序段后编写,系统能自动搜索到ns程序段并执行,但完成G73指令后,会接着执行紧跟nf程序段的下一程序段。
4.ns程序段只能是G00、G01指令。
5.在ns-nf程序段间的F、S、T功能在执行G73指令时无效,只在执行G70精车时有效。
6.G73循环指令可自动退刀,不需指定。注意自动退刀要避免产生刀具干涉。用于加工外圆时循环起点要大于毛坯外径,即定在工件的外部,用于加工内孔时,必须注意是否有足够的退刀空间,否则会发生碰撞。
7.G73循环指令中ns-nf程序段中不能使用的指令如下;
(1)、除G04外的其他00组G指令;
(2)、除G00、G01、G02、G03外的其他01组G指令;
(3)、子程序调用指令(M98、M99)。
8、粗车循环后用精车循环G70指令进行精加工,将粗车循环剩余的精车余量切削完毕。
指令格式;G70 P(ns)Q(nf)
9.精车时要提高主轴转速,降低进给速度,以达到提高表面精度的要求。
10.G73指令用于加工棒料切削时,会有较多的空刀行程,因此应尽可能使用G71或G72切除余量。
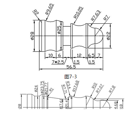
四、程序举例:按图2所示尺寸编写封闭切削循环加工程序。
程序如下:
O7001;
N10 G50 X200.0 Z200.0 T0101;
N20 M03 S2000;
N30 G00 G42 X140.0 Z40.0 M08;
N40 G96 S150;
N50 G73 U9.5 W9.5 R3;
N60 G73 P70 Q130 U1.0 W0.5 F0.3;
N70 G00 X20.0 Z2.0; //ns
N80 G01 Z-20.0 F0.15;
N90 X40.0 Z-30.0;
N100 Z-50.0;
N110 G02 X80.0 Z-70.0 R20.0;
N120 G01 X100.0 Z-80.0;
N130 X105.0; //nf
N140 G00 X200.0 Z200.0 G40;
N150 M09 M05 M30;
习题:

